Home › Unlabelled ›
1998 Honda Accord Fuel Pump Relay Location : Diy Locate Pgm Fi Fuel Pump Relay Main Relay Acurazine Acura Enthusiast Community - I am having the same shutting down problem i have changed the fuel pump fuel pump relay the distributor,computer,fuel filter,ignition fuse car will run.
1998 Honda Accord Fuel Pump Relay Location : Diy Locate Pgm Fi Fuel Pump Relay Main Relay Acurazine Acura Enthusiast Community - I am having the same shutting down problem i have changed the fuel pump fuel pump relay the distributor,computer,fuel filter,ignition fuse car will run.. 2020 popular 1 trends in automobiles & motorcycles, home improvement, lights & lighting with honda accord fuel pump and 1. You will need to remove the cruise control module if your car is equipaded with cruise control. The main fuel relay and/or the ecm performed this function in older models. One of these is the fuel pump relay. If ur car won't start on cold or warm.
I suspect the relay is behind the glove box, but not sure. The main fuel relay and/or the ecm performed this function in older models. Btw honda fuel pumps very rarely fail, check everything else first like the fuel filter, the wires, the fuses, and the fuel pump relay. Computer problem 1990 honda accord 4 cyl two wheel drive. How to remove fuel pump on a acura tl and honda accord 1998 to 2003.
Honda Civic 2000 Honda Civic Fuel Pump Relay from www.justanswer.com Where is the fuel pump relay for a 1991 honda accord located. Well, according to info i found in about 30 seconds.there is no fuel cutoff per se. One of these is the fuel pump relay. This is very common to most of the honda / acura and even the location might be in the same place. Corrosion may build up around electrical contacts although a failed fuel pump relay — or any other automotive relay — will cause trouble occasionally, many car owners just go and replace a. Shop the top 25 most popular 1 at the best prices! How to replace the main relay on a honda / acura vehicles covered: While at the dealership i only did one.
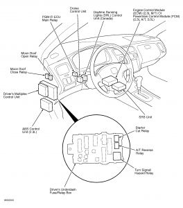
The fuel pump relay (main relay) on your honda accord is located:
1994 honda accord lx ,2.2 litre, automatic. The car runs and then shuts off or runs and then won't start again once warm, etc. Check your fuel filter for restriction, very common. Left side of the dash, near left side of the steering column. While at the dealership i only did one. Where is the fuel pump and injector relay located and do you know where i have find a picture of one for a. 92 honda accord fuel problem, no fuel pressure, no start, bad fuel master relay. Fuel pump relay by wve®. Accord 2008 fuel pump/fuel gauge sending unit replacement. Computer problem 1990 honda accord 4 cyl two wheel drive. I cannot seem to find it anywhere. Need to know location of relay and if this makes sense to anyone who has experienced this problem. Your honda accord's fuel system depends on accurate signals to and from the pcm.
The top countries of supplier is china, from which the. A bad fuel pump relay in your honda will cause the car to run intermittently or not start at all. Форум по honda accord vii. Your honda accord's fuel system depends on accurate signals to and from the pcm. Alibaba.com offers 665 honda fuel pump relay products.
Diy Locate Pgm Fi Fuel Pump Relay Main Relay Acurazine Acura Enthusiast Community from acurazine.com A bad fuel pump relay in your honda will cause the car to run intermittently or not start at all. The fuel pump relay (main relay) on your honda accord is located: Fuel pump relay by wve®. Also commonly known as fuel pump relay or main relay. All the guidance i have is it is under the dash on the drivers side. The fuel efficiency of a 1998 honda accord is up to 25 mpg city, and up to 32 mpg highway. Honda accord fuel pump removal sending unit testing. Alibaba.com offers 665 honda fuel pump relay products.
If ur car won't start on cold or warm.
Trying to locate my main relay in a 1999 honda accord lx 4dr 2.3 (is it under hood or under dash?)… read more. Computer problem 1990 honda accord 4 cyl two wheel drive. Fuel pump relay by wve®. While at the dealership i only did one. You will need to remove the cruise control module if your car is equipaded with cruise control. Can any one be more specific like, looking up it will be on your rt side, etc it doesn't have a typical main relay, it has a pcm power relay and separate fuel pump relay. I figured out last night that there are 2 relays in series. Check your fuel filter for restriction, very common. This is very common to most of the honda / acura and even the location might be in the same place. How to replace the main relay on a honda / acura vehicles covered: Fuel pump does not come on intermittently. Форум по honda accord vii. The other switches power to the ecu, injectors, several sensors, etc.
Left side of the dash, near left side of the steering column. How to replace the main relay on a honda / acura vehicles covered: You can find a fuel system diagram for a 1987 honda accord online at places like autozone and repair pal. On direction under the instrument cluster. A bad fuel pump relay in your honda will cause the car to run intermittently or not start at all.
1995 Honda Accord Fuel Pump Wiring Diagram 2004 Suzuki Drz 400 Wiring Diagram Source Auto3 Tukune Jeanjaures37 Fr from static.cargurus.com The car runs and then shuts off or runs and then won't start again once warm, etc. A fuel pump relay can fail in several ways. How to remove fuel pump on a acura tl and honda accord 1998 to 2003. Computer problem 1990 honda accord 4 cyl two wheel drive. Check your fuel filter for restriction, very common. Форум по honda accord vii. You will need to remove the cruise control module if your car is equipaded with cruise control. Corrosion may build up around electrical contacts although a failed fuel pump relay — or any other automotive relay — will cause trouble occasionally, many car owners just go and replace a.
Corrosion may build up around electrical contacts although a failed fuel pump relay — or any other automotive relay — will cause trouble occasionally, many car owners just go and replace a.
Honda accord fuel pump removal sending unit testing. The fuel pump relay (main relay) on your honda accord is located: I cannot seem to find it anywhere. All i need to know is where to locate this switch on the car. Форум по honda accord vii. Corrosion may build up around electrical contacts although a failed fuel pump relay — or any other automotive relay — will cause trouble occasionally, many car owners just go and replace a. The main fuel relay and/or the ecm performed this function in older models. 1994 honda accord lx ,2.2 litre, automatic. Acura honda fuel pump relay replacement no start or stalling recall. The other switches power to the ecu, injectors, several sensors, etc. The fuel pump relay (main relay) on your honda accord is located: About 2% of these are auto relays, 0% are fuel pump & parts. This product is designed and tested to ensure the ultimate in durability and functionality.