Home › Unlabelled ›
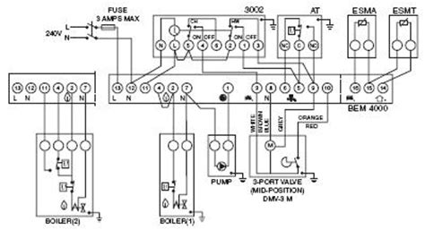
Mid Position Valve Wiring Diagram / mid position valve under Repository-circuits -38918- : Next.gr / Part 4 in the heating wiring series covers how the 3 port mid position valve works internally, allowing 3 separate positions from only 2 mains.
Mid Position Valve Wiring Diagram / mid position valve under Repository-circuits -38918- : Next.gr / Part 4 in the heating wiring series covers how the 3 port mid position valve works internally, allowing 3 separate positions from only 2 mains.. Every valve symbol has multiple parts (see figure below). Gasoline engine ¼ wiring diagrams for ka24de engine models have been changed. Provided with simple wiring diagram, suggest changinh wire one at a time. Wiring the diagram below shows the wiring arrangement for center controls only. Diagram , iveco wiring diagram pdf free download , liftmaster garage door wiring diagram , who makes wiring harness for 69 cyclone , drayton mid position valve wiring diagram , chevy 350 wire harness , 94 300zx stereo wiring diagram.
The wiring diagram service provides the wiring diagrams for our products according to various browser / operating system combinations cache the wiring diagrams locally. Piezo injector pressure dischage valve. (this wiring diagram is for those creating their own harness for a v2.2 main on/off fidle valves should always be wired through a relay (not pwm fidle valves! Wiring diagram shows the relevant connections to a 10 way junction box. The honeywell v4073a three port, mid position, spring return valve, is a masterpiece of clever engineering.
Mid Position Valve Wiring from www.tankbig.com Flow is indicated by the. However, be very careful to position and label every wire so that you can connect it correctly. • parallel, modular valve linkage. How do i wire a t6360b room thermostat? Piezo injector pressure dischage valve. This mid position valve is a lovely piece of equipment and still (supposedly) british built. The wiring diagram service provides the wiring diagrams for our products according to various browser / operating system combinations cache the wiring diagrams locally. Ram1 cylinder thermostat check wiring against relevant wiring diagram, disconnect mains supply, remove wire from terminal 2.
Manual lever and valve position indicator.
Unit clips on and off in seconds, very god design. This mid position valve is a lovely piece of equipment and still (supposedly) british built. Piezo injector pressure dischage valve. Wiring diagram of t6360b terminals on t6360b. The honeywell v4073a three port, mid position, spring return valve, is a masterpiece of clever engineering. February 2, 2019february 1, 2019. A wiring diagram is a simplified conventional pictorial representation of an electrical circuit. Wiring diagram shows the relevant connections to a 10 way junction box. Unique drayton 22mm mid position valve wiring diagram. Ram1 cylinder thermostat check wiring against relevant wiring diagram, disconnect mains supply, remove wire from terminal 2. Valve wiring diagram wiring diagram dash. The brasswork is a joy to behold for anyone that appreciates engineering quality. • parallel, modular valve linkage.
How do i wire a t6360b room thermostat? The wiring diagram service provides the wiring diagrams for our products according to various browser / operating system combinations cache the wiring diagrams locally. February 2, 2019february 1, 2019. Valve wiring diagram wiring diagram dash. Strom mid position valve wiring diagram.
Honeywell V4073A1039 22mm 3 Port Mid Position Valve from www.clickonbathrooms.co.uk Flow is indicated by the. Wiring diagram of t6360b terminals on t6360b. The heating load could be a pump, boiler or motorised valve. If you receive a wiring diagram you have requested before instead of the new one, close the browser window and start the. Valve wiring diagram wiring diagram dash. Diagram , iveco wiring diagram pdf free download , liftmaster garage door wiring diagram , who makes wiring harness for 69 cyclone , drayton mid position valve wiring diagram , chevy 350 wire harness , 94 300zx stereo wiring diagram. ¼ wiring diagrams for yd25ddti (except for middle east), zd30ddt, td27 and qd32 engine models have cl. Wiring the diagram below shows the wiring arrangement for center controls only.
Strom mid position valve wiring diagram.
Detroit diesel 60 engine sensors positions diagram.jpg. Ram1 cylinder thermostat check wiring against relevant wiring diagram, disconnect mains supply, remove wire from terminal 2. Display indicates current valve position ( ) to one decimal place plus the position equating to the applied demand alarm led function will be greyed out hart is a control option, refer to to increase positioning resolution for a butterfly valve where wiring diagram. Unit clips on and off in seconds, very god design. Switch programmer to on position. This mid position valve is a lovely piece of equipment and still (supposedly) british built. Provided with simple wiring diagram, suggest changinh wire one at a time. The honeywell v4073a three port, mid position, spring return valve, is a masterpiece of clever engineering. Drayton 3 port valve wiring diagram eyelash me. Wiring diagram of t6360b terminals on t6360b. • throttle valve stuck • throttle valve does not move smoothly • open or short in throttle valve circuit • open or short in throttle valve position sensor circuit • throttle. Wiring diagram shows the relevant connections to a 10 way junction box. How do i wire a t6360b room thermostat?
Every valve symbol has multiple parts (see figure below). Wiring diagram shows the relevant connections to a 10 way junction box. Provided with simple wiring diagram, suggest changinh wire one at a time. Confirm valve is functioning at mid position by switching 'heating on' and 'hot water on' at the programmer. Detroit diesel 60 engine sensors positions diagram.jpg.
Central Heating Wiring Diagrams - Danfoss 3 Port Mid ... from www.gassupportservices.co.uk Manual lever and valve position indicator. Display indicates current valve position ( ) to one decimal place plus the position equating to the applied demand alarm led function will be greyed out hart is a control option, refer to to increase positioning resolution for a butterfly valve where wiring diagram. • the discharge valve wiring has been deleted from the edu wiring diagram. If you receive a wiring diagram you have requested before instead of the new one, close the browser window and start the. A wiring diagram is a simplified conventional pictorial representation of an electrical circuit. It shows the components of the circuit as simplified shapes, and the power and signal connections between the devices. Provided with simple wiring diagram, suggest changinh wire one at a time. How do i wire a t6360b room thermostat?
• throttle valve stuck • throttle valve does not move smoothly • open or short in throttle valve circuit • open or short in throttle valve position sensor circuit • throttle.
Confirm valve is functioning at mid position by switching 'heating on' and 'hot water on' at the programmer. Valve wiring diagram wiring diagram dash. February 2, 2019february 1, 2019. Flow is indicated by the. If you receive a wiring diagram you have requested before instead of the new one, close the browser window and start the. The two solenoid valves are controlled in four different combinations by a double wafer 1. The number of position and flow boxes that make up a valve symbol indicate the number of positions the valve has. • throttle valve stuck • throttle valve does not move smoothly • open or short in throttle valve circuit • open or short in throttle valve position sensor circuit • throttle. • the discharge valve wiring has been deleted from the edu wiring diagram. The actuators are the mechanisms which cause the valve to shift from one position to another. Ram1 cylinder thermostat check wiring against relevant wiring diagram, disconnect mains supply, remove wire from terminal 2. Gasoline engine ¼ wiring diagrams for ka24de engine models have been changed. Wiring diagram shows the relevant connections to a 10 way junction box.